產品分類:行業應用
產品優勢:電磁倉壁振動器是用于防止和排除料倉因物料的內摩擦/潮解/帶電/成分偏析等原因引起的堵塞,塔拱現象;可清除各種管道,倉壁內的粘結物料.
全國統一銷售熱線:0373-268 2333
電磁倉壁振動器用于防止和排除各種料倉由于物料的內摩擦、潮解、帶電、成分偏析等原因引起的“堵塞”、“塔拱”現象;亦可用于清除各種倉壁、管道粘結物料,還可作為振動給料機、振動輸送機、振動漏斗、振動溜槽的振動源等。廣泛應用于礦山、冶金、化工、建材、機械等各行各業中。
電磁倉壁振動器也稱防閉塞裝置、倉壁振打器,用于防止和排除各種料倉由于物料的內摩擦、潮解、帶電、成分偏析等原因引起的“堵塞”、“塔拱”現象;倉壁振動器也稱防閉塞裝置、倉壁振打器亦可用于清除各種倉壁、管道粘結物料,還可作為振動給料機、振動輸送機、振動漏斗、振動溜槽的振動源等。倉壁振動器也稱防閉塞裝置、倉壁振打器廣泛應用于礦山、冶金、化工、建材、機械等各行各業中。
電磁倉壁振動器可用于各種大小料倉,常用在化工廠,洗煤廠,食品廠等行業的料倉疏通,促進下料。
采用電磁振動產生高頻振動和沖擊力,能有效避免物料堵塞。
配調速器,可無極調節振動力大小,可根據現象使用情況控制振動強弱
體積小、重量輕、結構簡單、耗電量低和維修量小
當電磁倉壁振動器工作時,振動電機高速轉動產生了對料倉壁的周期性高頻振動,使物料與倉壁脫離接觸、消除物料與倉壁的摩擦,物料在受交變速度和加速度的影響,處于不穩定狀態,從而有效地克服物料的內摩擦力和聚集力,以消除料倉內物料間的相對穩定性,使物料從料倉口順利排出。
型號 | 振動力(kg) | 功率(kw) | 工作電壓(V) | 工作電流(A) | 振動頻率(次/分) | 振動體幅度(mm) | 適用倉壁厚度(mm) |
CZ10 | 10 | 0.008 | 220 | 0.11 | 3000 | 1.5 | 0.6-0.8 |
CZ50 | 50 | 0.03 | 1.1 | 1.5 | 1.2-1.6 | ||
CZ100 | 100 | 0.06 | 1.0 | 1.5 | 2.5-3.2 | ||
CZ250 (CZ200) |
250 | 0.1 | 1.6 | 2 | 1.0-4.0 | ||
CZ600 (CZ400) |
600 | 0.15 | 2.3 | 2 | 3.0-8.0 | ||
CZ1000 (CZ800) |
1000 | 0.2 | 3.8 | 2 | 6.0-14 | ||
CZ1500 | 1500 | 0.45 | 7.0 | 2 | 6.0-14 |
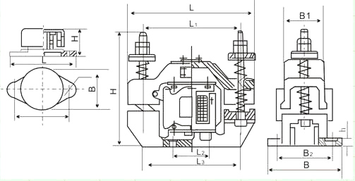
型號 | L1 | L2 | L3 | H | B | B1 | B2 | H | n |
CZ10 | 134 | 62 | 6 | 2 | |||||
CZ50 | 250 | 110 | 12 | 2 | |||||
CZ100 | 260 | 145 | 210 | 20 | 2 | ||||
CZ150 | 232 | 220 | 242 | 190 | 103 | 140 | 15 | 2 | |
CZ200 | 232 | 220 | 242 | 190 | 103 | 140 | 15 | 2 | |
CZ250 | 232 | 220 | 242 | 190 | 103 | 140 | 15 | 2 | |
CZ400 | 300 | 100 | 262 | 363 | 240 | 170 | 190 | 20 | 4 |
CZ600 | 300 | 100 | 262 | 363 | 240 | 170 | 190 | 20 | 4 |
CZ800 | 375 | 120 | 460 | 380 | 295 | 170 | 230 | 35 | 4 |
CZ1000 | 375 | 120 | 460 | 380 | 295 | 170 | 230 | 35 | 4 |
安裝位置一般位于料倉錐體高度1/4或小于1/4處。如安裝兩臺以上,可在對稱面的不同高度安裝,對于木制或混凝土料倉,可在倉壁加裝振動板以傳遞振動力,活化物料。
當防閉塞裝置工作時,由于振動電機的高速轉動產生了對料倉壁的周期性高頻振動,倉壁振動器因為這種高頻率的周期性振動,一方面使物料與倉壁脫離接觸、消除物料與倉壁的摩擦,另一方面使物料受交變速度和加速度的影響,處于不穩定狀態,從而有效地克服物料的內摩擦力和聚集力,以消除料倉內物料間的相對穩定性,使物料從料倉口順利排出。